LHT-V諧波減速機詳細信息/Detailed Information
LHT-V諧波減速機
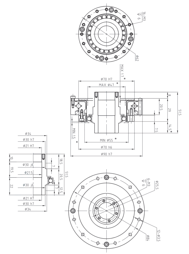
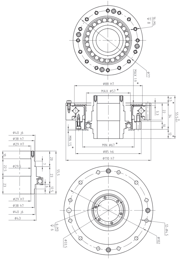
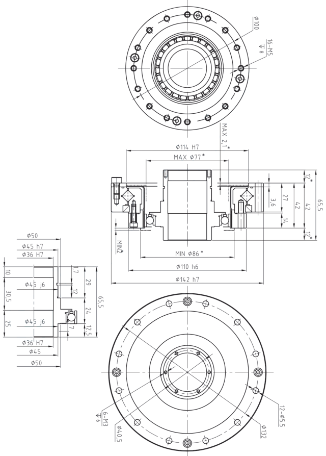
減速機規格:LHT-V諧波減速機
減速機型號:LHT14 LHT17 LHT20 LHT25 LHT32
減速機比數:對應比數
減速機可配電機:對應功率
應用范圍:機器人,分割器代替的場所。
關鍵詞:LHT-V諧波減速機,高精密行星諧波減速機,機器人減速機,諧波減速器
LHT-V諧波減速機特點:LHT-V系列柔輪為中空翻邊型標準結構,整機結構緊湊,波發生器為大口徑中空孔,帶有交叉滾子軸承,來承受徑向與軸向的負載此結構為簡易型,方便用戶定制安裝。
LHT-V諧波減速機應用設備設計注意事項:
請在規定環境下使用:環境溫度0~40°C;不濺到水,油等;無腐蝕性、爆炸性氣體;無金屬粉等灰塵。
請根據規定精度實施安裝:請正確設計、組裝各種部件,確保其能夠達到產品目錄中的推薦安裝精度;達不到規定精度可能會導致振動、縮短使用壽命、精度下降、損壞等故障。
請使用規定的方法進行安裝:組裝方法、順序,請按VEMT提供的產品目錄正確實施;擰緊方法(使用螺栓等),請遵守本公司建議;如未正確組裝,運轉時可能會導致振動、縮短使用壽命、精度下降、損壞等故障。
請給諧波減速機使用規定的潤滑劑:不使用本公司推薦的潤滑劑,可能會縮短產品的使用壽命。此外,請按規定的條件更換潤滑劑;組合型產品已預先封入潤滑脂。請不要混入其他潤滑脂。
LHT-V諧波減速機圖片:(此圖由VEMT推廣部人員上傳,請以實物圖為準,可撥打電話15818497138獲取實物圖)
LHT-V諧波減速機參數:查看其他諧波減速機型號,請點擊鏈接:http://m.snage.cn/guanjiejiansuji.html
LHT-V諧波減速機安裝步驟
購買須知:我司VEMT品牌所有系列產品,標準常用的,倉庫均備有現貨2000臺左右,非常用的需排單定做,請聯系客服咨詢貨期。凡購買我司品牌VEMT系列產品,不分價格高低,兩年內免費維修,免費換新。兩年后免費維修,只收取零件成本費用,包含海外以及港澳臺區域。因各種設備企業對產品的要求標準不同,如果您的設備是出口的,請告知客服轉接我司VEMT工程部,告知您的高標準,我們VEMT工程部會為您量身定做百分百符合要求的產品。
跟此產品相關的產品 / Related Products
聯系祥如機電
全國咨詢熱線
13528634927
微信13528634927














