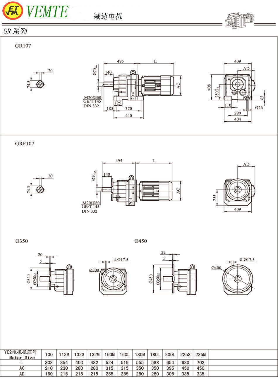
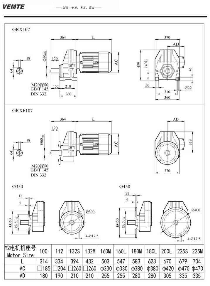
這是R07齒輪減速機,RF07立式減速器,RXF07齒輪箱及RX臥式減速機的具體的型號和他們所對應的安裝尺寸圖紙。這款R07減速機所對應的國內的大眾的型號為R107系列減速器型號。
| R07DM100M | RX07DM100M | RX07DM132M |
| R07DM100L | RX07DM100L | RX07DM132L |
| R07DM112M | RX07DM112M | RX07DM160M |
| R07DM132S | RX07DM132S | RX07DM160L |
| R07DM132M | RF07DM100M | RX07DM180M |
| R07DM132L | RF07DM100L | RF07DM132M |
| R07DM160M | RF07DM112M | RF07DM132L |
| R07DM160L | RF07DM132S | RF07DM160M |
| R07DM180M | RXF07DM100M | RF07DM160L |
| R07DM180L | RXF07DM100L | RF07DM180M |
| R07DM200L | RXF07DM112M | RXF07DM132M |
| R07DM225S | RXF07DM132S | RXF07DM132L |
| R07DM225M | RXF07DM180M | RXF07DM160M |
| RXF07DM200L | RXF07DM180L | RXF07DM160L |
| RXF07DM225S | RX07DM180L | RF07DM180L |
| RX07DM225S | RX07DM200L | RF07DM200L |
| RX07DM225M | RF07DM225S | RXF07DM225M |
下一篇:R08X系列齒輪減速機型號上一篇:R06系列齒輪減速機型號
此文關鍵字:R07系列齒輪減速機型號
















