LHT-II型諧波減速機詳細信息/Detailed Information
LHT-II型諧波減速機
減速機規格: LHT-II型諧波減速機
減速機型號:LHT14 LHT17 LHT20 LHT25 LHT32
減速機比數:對應比數
減速機可配電機:對應功率
應用范圍:機器人,分割器代替的場所。
關鍵詞:LHT20型諧波減速機,LHT25減速機,LHT諧波減速器,關節機器人減速機
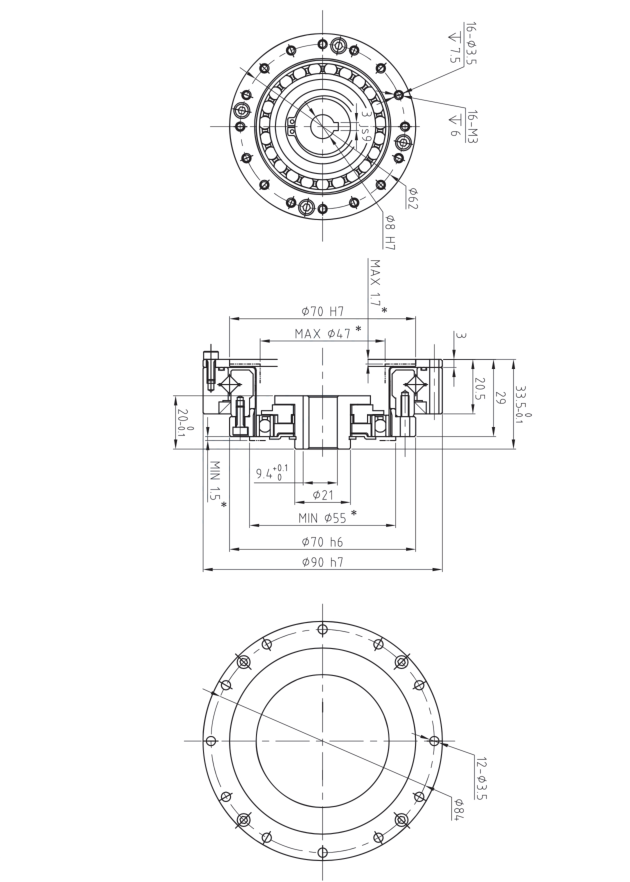
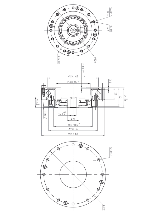
LHT-II型諧波減速機特點:LHT-II系列柔輪為中空翻邊形標準筒結構,整機結構緊湊,輸入軸通過十字滑塊聯軸器與波發生器內孔連接。即可采用剛輪端固定,柔輪端輸出的連接方式使用,也可采用柔輪端固定,剛輪端輸出的方式使用。
LHT-II型諧波減速機工作原理:
啟動扭矩,能使諧波減速器空載啟動時,輸入端需施加的小力矩;背隙,柔輪齒廓與剛輪齒廓之間的間隙;額定輸出轉矩,諧波減速器在保持其正常的性能指標下,能長時間運行的輸出扭矩;起動停止時的容許峰值轉矩,起動停止時的容許峰值轉矩指的是諧波減速器在啟動或停止時的大沖擊轉矩;容許大平均負載轉矩,容許大平均負載轉矩指的是諧波減速器能長時間工作的大轉矩;容許大瞬時轉矩,容許大瞬時轉矩指的是諧波減速器短時能承受的大轉矩;容許大輸入轉速,容許大輸入轉速指的是諧波減速器容許輸入轉速的大值;容許平均輸入轉速,容許平均輸入轉速指的是諧波減速器輸入轉速的平均值。
LHT-II型諧波減速機圖片:(此圖由VEM推廣部人員上傳,請以實物圖為準,可撥打電話15818497138獲取實物圖)
LHT-II型諧波減速機安裝:
LHT-II型諧波減速機型號:
購買須知:我司VEMT品牌所有系列產品,標準常用的,倉庫均備有現貨2000臺左右,非常用的需排單定做,請聯系客服咨詢貨期。凡購買我司品牌VEMT系列產品,不分價格高低,兩年內免費維修,免費換新。兩年后免費維修,只收取零件成本費用,包含海外以及港澳臺區域。因各種設備企業對產品的要求標準不同,如果您的設備是出口的,請告知客服轉接我司VEMT工程部,告知您的高標準,我們VEMT工程部會為您量身定做百分百符合要求的產品。
跟此產品相關的產品 / Related Products
聯系祥如機電
全國咨詢熱線
13528634927
微信13528634927











