KPM準雙曲面減速機詳細信息/Detailed Information
KPM準雙曲面減速機
減速機型號:KPM50C KPM63C KPM75C KPM90C
電機 功率:0.06KW-7.5KW
減速機扭矩:3.5-50000N/M
減速機比數:單2-230 雙230-24000
應用 范圍:輸送機械,卷閘門,電鍍設備,輸送設備,陶瓷設備,印刷設備,塑料機械,清洗設備,攪拌設備等等
關鍵詞:KPM減速機,KPB雙曲面減速機,螺旋齒輪減速電機
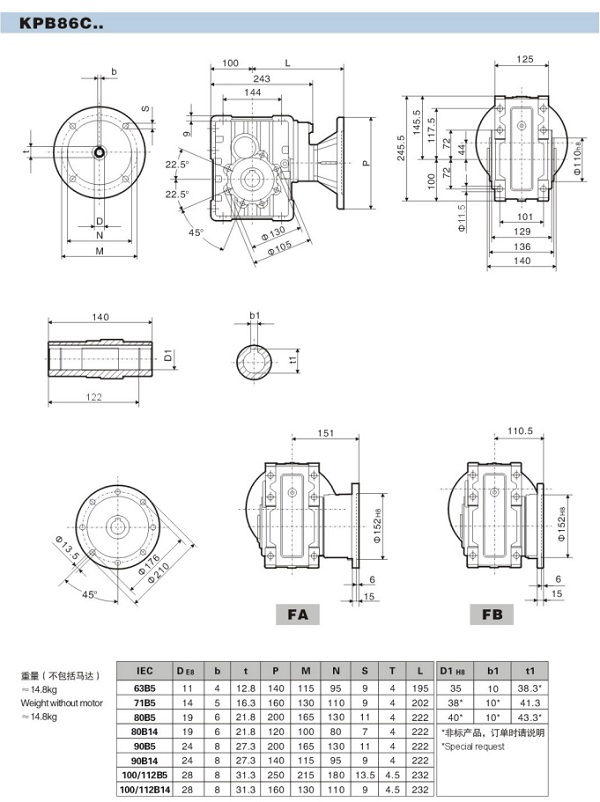
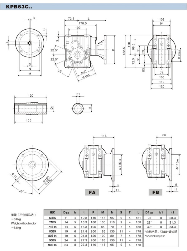
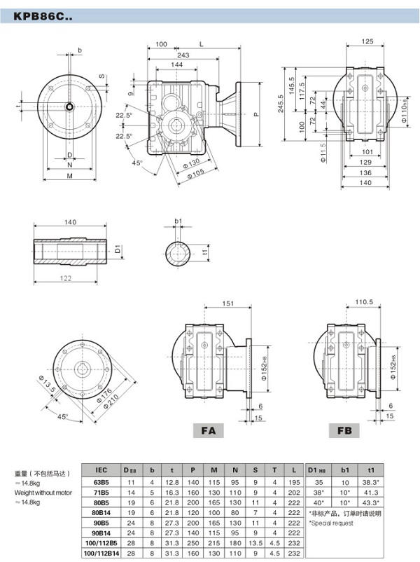
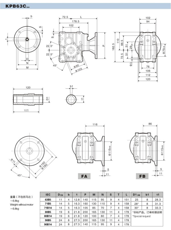
KPM/KPB減速機型號:KPM50C,KPM63C,KPM75C,KPM90C,KPB63C,KPB75C,KPB86C
可配置功率有:90W、120W、180W、250W、370W、550W、750W、1100W、1500W、2200W、3000W、3700W、4000W
減速機速比:7.5,10,12.5,15,20,25,30,40,50,60,75,100,125,150,200,250,300
安裝方位:他有六種安裝方位可以選擇,簡單理解就是將這個減速機安裝在正方體的六個面,他們分別用:B3,B8,B6,B7,V5,V6表示不同的安裝面。
由于不同的安裝方位不同的使用場合,需要增加的配置是不一樣的,此時這種KPM減速機的可以加扭力臂用于懸掛安裝使用;
這種準雙曲面減速機與NMRV減速機之間尺寸是可以互換的,但是他們之間型號是有限制的,從NMRV050到NMRV90減速機與這型號的50-90之間可以形成同尺寸替換。通常替換的理由是這種雙曲面齒輪減速機擁有更高的傳動效率。
在使用過程中我們需要注意:雙曲面齒輪減速機承受的最大負載扭矩不能超過兩倍于性能參數表中規定的正常扭矩(當使用系數fs=1時);這里最大負載扭矩是指能承受瞬間短暫的過載,它出現在過載啟動、剎車、振動或其他動態操作環境中。
此外如果出現以下的情況的時候則是需要與VEMTE(瓦瑪特)選型技術人員進行溝通的:1.在原有上提高轉速時;
2.應用在慣性特別大的設備上時;
3.當減速器出現故障有可能會對操作者造成危害時:
4.應用在減速器過度疲勞狀態時;
5.工作環境溫度低于-5°C或高于40°C時;
6.在化學腐蝕環境中使用時;
7.在鹽性環境中使用時;
8.在輻射性高的環境中使用時;
9.在環境氣壓不在正常大氣壓力下使用時;
10.安裝方位在這樣本中沒有提到時。
購買須知:我司VEMT品牌所有系列產品,標準常用的,倉庫均備有備件,非常用的需排單定做,請聯系客服咨詢貨期。凡購買我司品牌VEMT系列產品,不分價格高低,兩年內免費維修,免費換新。兩年后免費維修,只收取零件成本費用,包含海外以及港澳臺區域。因各種設備企業對產品的要求標準不同,如果您的設備是出口的,請告知客服轉接我司VEMT工程部,告知您的高標準,我們VEMT工程部會為您量身定做百分百符合要求的產品。
跟此產品相關的產品 / Related Products
聯系祥如機電
全國咨詢熱線
13528634927
微信13528634927











