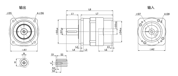
PA系列斜齒輪行星減速電機選型手冊樣本下載,PA行星減速電機型號有PA60,PA90、PA120、PA140、PA180、PA220行星減速電機其中包含行星減速器安裝尺寸圖紙,減速比,以及減速箱規格,搭配電機功率等。PA行星減速電機傳動效率高,減速比范圍廣。PA行星減速電機采用行星齒輪傳動,降低了能量損耗,提高了傳動效率。同時,它可提供多種減速比,滿足不同工況需求。
PA系列斜齒輪行星減速電機承載能力強,抗沖擊性能好。PA行星減速電機采用優質材料制造,齒輪精度高,使得其在高速、高負荷的工作環境下仍能保持穩定運行。此外,噪音低、振動小。PA行星減速電機在設計中充分考慮了噪音和振動問題,使其在運行過程中具有較好的靜謐性和穩定性。PA行星減速電機憑借其優異的性能特點,在各類機械設備中得到了廣泛應用,為我國工業發展提供了有力支持。隨著技術的不斷進步,PA行星減速電機在未來市場前景可期。如需更多信息和樣本資料,您可以聯系右邊的客服下載樣本。

PA系列斜齒輪行星減速電機承載能力強,抗沖擊性能好。PA行星減速電機采用優質材料制造,齒輪精度高,使得其在高速、高負荷的工作環境下仍能保持穩定運行。此外,噪音低、振動小。PA行星減速電機在設計中充分考慮了噪音和振動問題,使其在運行過程中具有較好的靜謐性和穩定性。PA行星減速電機憑借其優異的性能特點,在各類機械設備中得到了廣泛應用,為我國工業發展提供了有力支持。隨著技術的不斷進步,PA行星減速電機在未來市場前景可期。如需更多信息和樣本資料,您可以聯系右邊的客服下載樣本。

















